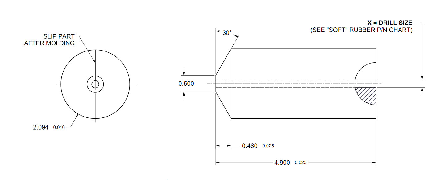
Replacement Line Wiper/Packoff rubber for the packoff, which provides a seal around static wireline to confine well fluids and gases to a well and pressure control stack. We produce the Line Wiper/Packoff rubber are compatible with most wireline sizes.





App\Models\KetProduct {#1739 // resources/views/ket/pages/rubber_products.blade.php
#connection: "mysql"
#table: "ket_products"
#primaryKey: "id"
#keyType: "int"
+incrementing: true
#with: []
#withCount: []
+preventsLazyLoading: false
#perPage: 15
+exists: true
+wasRecentlyCreated: false
#escapeWhenCastingToString: false
#attributes: array:23 [
"id" => 139
"created_at" => null
"updated_at" => null
"title" => "Line Wiper"
"url" => "line-wiper"
"code" => "23"
"is_enabled" => 1
"type_id" => 13
"temp" => "-35℃~+100℃"
"speed" => null
"pressure" => "≤60MPA"
"application" => "Hydraulic motors, pumps, hydraulic components"
"materials_id" => "["8"]"
"standard" => "ROHS, REACH, UL94V0, FDA"
"parent_id" => 0
"order" => 999
"thumbnail" => "["images/products/69777f81a10a0ef83598fd499fd639e1.png", "images/products/574d1dd372e36ab29423ea8d8e0de2af.png"]"
"reference_diagram" => "images/products/0fc005e9dddc55c7daa4e09e3d8fa16b.png"
"content" => """
<p class="MsoNormal"><span style="mso-spacerun: 'yes'; font-family: 宋体; mso-ascii-font-family: Calibri; mso-hansi-font-family: Calibri; mso-bidi-font-family: 'Times New Roman'; font-size: 10.5000pt; mso-font-kerning: 1.0000pt;"><o:p></o:p></span></p>\r\n
<p class="MsoNormal"><span style="font-size: 12pt;"><strong><span style="font-family: Calibri;">Replacement Line Wiper/Packoff rubber for the packoff, which provides a seal around static wireline to confine well fluids and gases to a well and pressure control stack. We produce the Line Wiper/Packoff rubber are compatible with most wireline sizes.</span></strong></span><span style="mso-spacerun: 'yes'; font-family: Calibri; mso-fareast-font-family: 宋体; mso-bidi-font-family: 'Times New Roman'; font-size: 10.5000pt; mso-font-kerning: 1.0000pt;"><o:p></o:p></span></p>\r\n
<p class="MsoNormal" style="text-align: center;"><span style="font-size: 12pt;"><strong><span style="font-family: Calibri;"><img src="https://www.dlseals.net/uploads/tinymce/images/8dbe0fcaea3e1b8ecfc2461bf26b7ee5686cdd5f585cc.png" width="450" height="338" alt="Line Wiper" /></span></strong></span></p>\r\n
<p class="MsoNormal" style="text-align: center;"><span style="font-size: 12pt;"><strong><span style="font-family: Calibri;"><img src="https://www.dlseals.net/uploads/tinymce/images/234e039bad095c7e18de4a4361135712686cdd8529b76.png" width="500" height="375" alt="Line Wiper" /></span></strong></span></p>\r\n
<p class="MsoNormal" style="text-align: center;"><span style="font-size: 12pt;"><strong><span style="font-family: Calibri;"><img src="https://www.dlseals.net/uploads/tinymce/images/549b6b67a823810fb4f29973b199fd57686cdd9614df3.png" width="500" height="375" alt="Line Wiper" /></span></strong></span></p>\r\n
<p class="MsoNormal" style="text-align: center;"><span style="font-size: 12pt;"><strong><span style="font-family: Calibri;"><img src="https://www.dlseals.net/uploads/tinymce/images/569aa3438704c1a5899cba6191889f18686cdda2d61d2.jpg" width="1000" height="429" alt="Line Wiper" /></span></strong></span></p>\r\n
<p class="MsoNormal" style="text-align: center;"><span style="font-size: 12pt;"><strong><span style="font-family: Calibri;"><img src="https://www.dlseals.net/uploads/tinymce/images/114cff67628df2c23ed58601c73b2660686cddb28b935.png" width="789" height="336" alt="Line Wiper" /></span></strong></span></p>\r\n
<p class="MsoNormal"><span style="font-size: 12pt;"><strong><span style="font-family: Calibri;"></span></strong></span></p>
"""
"coating" => null
"has_selection" => "[]"
"technique" => "Injection molding"
"deleted_at" => null
]
#original: array:23 [
"id" => 139
"created_at" => null
"updated_at" => null
"title" => "Line Wiper"
"url" => "line-wiper"
"code" => "23"
"is_enabled" => 1
"type_id" => 13
"temp" => "-35℃~+100℃"
"speed" => null
"pressure" => "≤60MPA"
"application" => "Hydraulic motors, pumps, hydraulic components"
"materials_id" => "["8"]"
"standard" => "ROHS, REACH, UL94V0, FDA"
"parent_id" => 0
"order" => 999
"thumbnail" => "["images/products/69777f81a10a0ef83598fd499fd639e1.png", "images/products/574d1dd372e36ab29423ea8d8e0de2af.png"]"
"reference_diagram" => "images/products/0fc005e9dddc55c7daa4e09e3d8fa16b.png"
"content" => """
<p class="MsoNormal"><span style="mso-spacerun: 'yes'; font-family: 宋体; mso-ascii-font-family: Calibri; mso-hansi-font-family: Calibri; mso-bidi-font-family: 'Times New Roman'; font-size: 10.5000pt; mso-font-kerning: 1.0000pt;"><o:p></o:p></span></p>\r\n
<p class="MsoNormal"><span style="font-size: 12pt;"><strong><span style="font-family: Calibri;">Replacement Line Wiper/Packoff rubber for the packoff, which provides a seal around static wireline to confine well fluids and gases to a well and pressure control stack. We produce the Line Wiper/Packoff rubber are compatible with most wireline sizes.</span></strong></span><span style="mso-spacerun: 'yes'; font-family: Calibri; mso-fareast-font-family: 宋体; mso-bidi-font-family: 'Times New Roman'; font-size: 10.5000pt; mso-font-kerning: 1.0000pt;"><o:p></o:p></span></p>\r\n
<p class="MsoNormal" style="text-align: center;"><span style="font-size: 12pt;"><strong><span style="font-family: Calibri;"><img src="https://www.dlseals.net/uploads/tinymce/images/8dbe0fcaea3e1b8ecfc2461bf26b7ee5686cdd5f585cc.png" width="450" height="338" alt="Line Wiper" /></span></strong></span></p>\r\n
<p class="MsoNormal" style="text-align: center;"><span style="font-size: 12pt;"><strong><span style="font-family: Calibri;"><img src="https://www.dlseals.net/uploads/tinymce/images/234e039bad095c7e18de4a4361135712686cdd8529b76.png" width="500" height="375" alt="Line Wiper" /></span></strong></span></p>\r\n
<p class="MsoNormal" style="text-align: center;"><span style="font-size: 12pt;"><strong><span style="font-family: Calibri;"><img src="https://www.dlseals.net/uploads/tinymce/images/549b6b67a823810fb4f29973b199fd57686cdd9614df3.png" width="500" height="375" alt="Line Wiper" /></span></strong></span></p>\r\n
<p class="MsoNormal" style="text-align: center;"><span style="font-size: 12pt;"><strong><span style="font-family: Calibri;"><img src="https://www.dlseals.net/uploads/tinymce/images/569aa3438704c1a5899cba6191889f18686cdda2d61d2.jpg" width="1000" height="429" alt="Line Wiper" /></span></strong></span></p>\r\n
<p class="MsoNormal" style="text-align: center;"><span style="font-size: 12pt;"><strong><span style="font-family: Calibri;"><img src="https://www.dlseals.net/uploads/tinymce/images/114cff67628df2c23ed58601c73b2660686cddb28b935.png" width="789" height="336" alt="Line Wiper" /></span></strong></span></p>\r\n
<p class="MsoNormal"><span style="font-size: 12pt;"><strong><span style="font-family: Calibri;"></span></strong></span></p>
"""
"coating" => null
"has_selection" => "[]"
"technique" => "Injection molding"
"deleted_at" => null
]
#changes: []
#casts: array:4 [
"materials_id" => "array"
"thumbnail" => "array"
"has_selection" => "array"
"deleted_at" => "datetime"
]
#classCastCache: []
#attributeCastCache: []
#dates: []
#dateFormat: null
#appends: array:2 [
0 => "materials_list"
1 => "date_isostring"
]
#dispatchesEvents: []
#observables: []
#relations: array:1 [
"type" => App\Models\KetProductsType {#1742
#connection: "mysql"
#table: "ket_products_type"
#primaryKey: "id"
#keyType: "int"
+incrementing: true
#with: []
#withCount: []
+preventsLazyLoading: false
#perPage: 15
+exists: true
+wasRecentlyCreated: false
#escapeWhenCastingToString: false
#attributes: array:8 [
"id" => 13
"created_at" => "2024-04-19 16:15:09"
"updated_at" => "2024-08-09 17:07:49"
"title" => "Industrial daily chemicals"
"url" => "industrial-daily-chemicals"
"parent_id" => 2
"order" => 999
"is_enabled" => 1
]
#original: array:8 [
"id" => 13
"created_at" => "2024-04-19 16:15:09"
"updated_at" => "2024-08-09 17:07:49"
"title" => "Industrial daily chemicals"
"url" => "industrial-daily-chemicals"
"parent_id" => 2
"order" => 999
"is_enabled" => 1
]
#changes: []
#casts: []
#classCastCache: []
#attributeCastCache: []
#dates: []
#dateFormat: null
#appends: []
#dispatchesEvents: []
#observables: []
#relations: []
#touches: []
+timestamps: true
#hidden: []
#visible: []
#fillable: []
#guarded: array:1 [
0 => "*"
]
#queryCallbacks: []
}
]
#touches: []
+timestamps: true
#hidden: []
#visible: []
#fillable: []
#guarded: []
#forceDeleting: false
}